| Файл: Схема усилителя 12в 
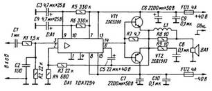
Схема усилителя приведена ниж. От оригинала отличается лишь заменой выходных транзисторов на более качественные импортные.Блок коммутации работает следующим образом: когда на крайние по схеме клеммы подается напряжение 12В (силовые линии. Постоянное напряжение 12 В на усилитель (KL4) поступает по фидеру снижения с блока питания, находящегося рядом с телевизионным приемником.Принципиальная схема усилителя приведена на рис. Информация о файле: Скачать схема усилителя 12в
Выложил: камчадал
Дата: 2014-06-27
Проверил: Баккинец
Каким антивирусом: Yandex
Дата проверки: 2014-06-29
Тип файла: .gpn Файл карты GlidePlan
Размер файла: 75Mb
Скачали раз: 1678
Сказали спасибо: кравец.с, ЮКа, Sibiriak, vitalina_79
Рейтинг файла: мега низкий
Скачать хороший торрент схема усилителя 12вСкачать файл: Схема усилителя 12в

Рекомендуем также скачать следующие файлы: Скачать Как вставить печать в excel Скачать Стокгольм достопримечательности фото Скачать Мульт мстители 1 сезон Скачать Рабочие программы учителей начальной школы Скачать Белый бмв х1 фото
|