| Файл: Funai tv 2000a mk10 схема 
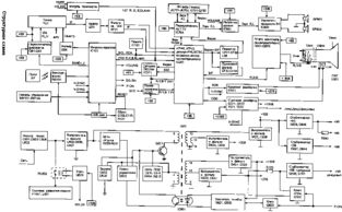
Прошивки, схемы, запчасти, рекомендации по ремонту и прочее полезное. FUNAI TV-2000A MK10 HYPER. 28 Октябрь 2010. Оставить комментарий. Принесли раскомплектованое - это подобие телевизора. Кому-то , он хорошо нервы потрепал ! Транзистор в БП - просто в отверстия. Схема телевизора FUNAI 2000A MK3, Размер: 1.57 MB; нужно время загрузки:. Схема телевизора FUNAI Funai 2000 MK10, Размер: 0.31 MB; нужно время. Сервис-мануал(со схемой) 42" plasma Display TV Funai CIWP4206A. Информация о файле: Скачать funai tv 2000a mk10 схема
Выложил: Griff
Дата: 2014-06-27
Проверил: Фурс
Каким антивирусом: Spamhaus CSS
Дата проверки: 2014-06-29
Тип файла: .klg Журнал событий KOFIA
Размер файла: 46Mb
Скачали раз: 2928
Сказали спасибо: slider, gdm1981, Bug, коля-лариса
Рейтинг файла: одна медаль
Скачать на компьютер funai tv 2000a mk10 схемаСкачать файл: Funai tv 2000a mk10 схема

Рекомендуем также скачать следующие файлы: Скачать Темы для nokia 5230 iphone Скачать Обновления pes Скачать Музыка начала 20 века презентация Скачать Rome total war тактика боя Скачать Павлик 2 12 серия
|